0577-61737989
13616630771

一、概述
ZW32-40.5型户外高压真空断路器采用了独特设计的一体式固封极柱和高可靠性的操作机构。该装置主要应用于中压架空线电网,作为分、合负荷电流、过载电流、短路电流之用。
u 极高的可靠性
u 在整个寿命期间完全免维护
u 具有高机械寿命和电寿命
u 整机体积小,重量轻,便于安装
1.1 使用条件
¨ 周围空气温度:-30℃~+60℃;
¨ 海拔高度:不超过3000米;
¨ 风速不超过34m/s;
¨ 来自开关设备和控制设备外部的振动或地动是可以忽略的;
¨ 污秽等级:Ⅳ级;
¨ 储存温度-40℃~+85℃。
1.2 技术参数
断路器的主要技术参数
|
序 号 |
项 目 |
单 位 |
数 值 |
|
1 |
额定电压 |
kV |
40.5 |
|
2 |
额定电流 |
A |
630/1250/1600 |
|
3 |
额定频率 |
Hz |
50或60 |
|
4 |
工频耐压1min(湿)(干) 相间、对地/断口 |
kV |
80 95/95 |
|
5 |
雷电冲击耐受电流(峰值) 相间、对地/断口 |
kV |
185 |
|
6 |
额定短路开断电流 |
kA |
20/25/31.5 |
|
7 |
额定短路关合电流(峰值) |
kA |
63/80 |
|
8 |
额定峰值耐受电流 |
kA |
63/80 |
|
9 |
4S短时耐受电流 |
kA |
25/31.5 |
|
10 |
额定操作循环 |
分-0.1s-合分-3s-合分-6s合分-60s恢复 |
|
|
11 |
额定短路电流开断次数 |
次 |
30 |
|
12 |
机械寿命 |
次 |
10000 |
|
13 |
机构控制电压 |
V |
AC/DC220 |
|
14 |
二次回路1min工频耐压 |
KV |
2 |


断路器的主要机械参数
|
序 号 |
参数名称 |
单 位 |
数 据 |
|
1 |
触头开距 |
mm |
16±1 |
|
2 |
触头超行程 |
mm |
3±0.5 |
|
3 |
分闸速度 |
m/s |
1.4-1.8 |
|
4 |
合闸速度 |
m/s |
0.4-0.8 |
|
5 |
触头合闸弹跳时间 |
ms |
≤5 |
|
6 |
相间 距离 |
mm |
560±2 |
|
7 |
三相分合闸不同期性 |
ms |
≤2 |
|
8 |
各相导电回路电阻 |
μΩ |
<80 |
|
9 |
合闸时间 |
ms |
≤100 |
|
10 |
分闸时间 |
ms |
≤50 |
|
11 |
重量 |
Kg |
270 |
二、断路器结构及工作原理
ZW32-40.5型户外高压真空断路器主要由集成固封极柱、电流互感器、操动机构及箱体组成。该型号断路器为小型化设计,外壳采用优质钢箱体。电流互感器可根据用户需要选择。

断路器结构图
ZW32-40.5型户外高压真空断路器与配套的智能控制组合。可就地实现开关分合闸操作,也可以通过通信接口由远方遥控操作。断路器的其他信息也可以传输到控制 ,通信通道可以选择电缆、光纤、GPRS/CDMA、GSM等。
三、断路器的工作原理
3.1灭弧原理:ZW32-40.5型户外高压真空断路器采用真空灭弧室,以真空作为灭弧和绝缘介质,具有极高的真空度。当动、静触头在操动机构作用下带电分闸时,在触头间将会产生真空电弧,同时,由于触头的特殊结构,在触头的间隙中也会产生适当的纵向磁场,促使真空电弧保持为扩散型,并使电弧均匀地分布在触头表面燃烧,维持低的电弧电压,在电流自然过零时,残留的离子、电子和金属蒸汽在微秒数量级的时间内就可复合或凝聚在触头表面和屏蔽罩上,灭弧室断口的介质绝缘强度很快被恢复,从而电弧被熄灭达到分断的目的。由于采用纵向磁场控制真空电弧,所以真空断路器具有强而稳定的开断电流能力。
3.2电动储能:电动机将输出扭矩作用于机构的小齿轮,传动至主轴上的大链轮,从而带动拐臂旋转,使合闸弹簧储能。当拐臂上的螺丝压下行程开关时,切断电动机电源,弹簧储能完毕。
3.3手动储能:转动机构输出轴,通过输出轴上的小齿轮将旋转扭矩传递给与小齿轮充分啮合的大齿轮,从而带动拐臂旋转,使合闸弹簧储能。
3.4合闸电磁铁操作:机构接到合闸信号以后,合闸电磁铁的动铁心向上运动,推动合闸脱扣杆向上运动,使合闸半轴逆时针方向旋转。解除对合闸挚子的约束,与此同时,合闸挚子受滚子的压迫而逆时针转动,解除储能维持,位于主轴上的凸轮因合闸弹簧的收缩力产生冲击力,撞上手动储能轴(即输出轴)上的摇臂,通过连杆传动给开关,从而完成合闸操作。
3.5手动操作:安装在合闸半轴上的拨叉逆时针转动时,带动合闸半轴沿逆时针方向旋转。从而产生与合闸电磁铁操作同样的效果。
3.6重合闸操作:机构释放储能弹簧的能量后,完成合闸操作,在合闸状态,机构再进行储能操作,完成储能操作后,机构处于合闸已储能状态,在此状态一旦接到正确的信号,机构便能实现一次自动重合闸操作。
3.7分闸电磁铁操作:机构接到分闸信号后,分闸电磁铁的动铁心向上运动,推动分闸脱扣杆作向上运动,使分闸半轴逆时针方向旋转。解除对分闸挚子的约束。与此同时,分闸挚子受滚 子的压迫而逆时针转动,摇臂因受开关内部分闸弹簧的推力而逆时针方向旋转,从而完成分闸操作。
3.8手动操作:安装在分闸半轴上的拨叉逆时针转动时,带动分闸半轴沿逆时针方向旋转,从而产生与分闸电磁铁操作同样的效果。
3.9过流脱扣操作:当过流脱扣器中过流线圈通过规定的脱扣电流时,电磁铁动作、推杆顶动脱扣杆。使分闸半轴逆时针方向旋转、解除对分闸挚子的约束从而产生与分闸电磁铁操作相同的效果,完成断路器过流脱扣操作。
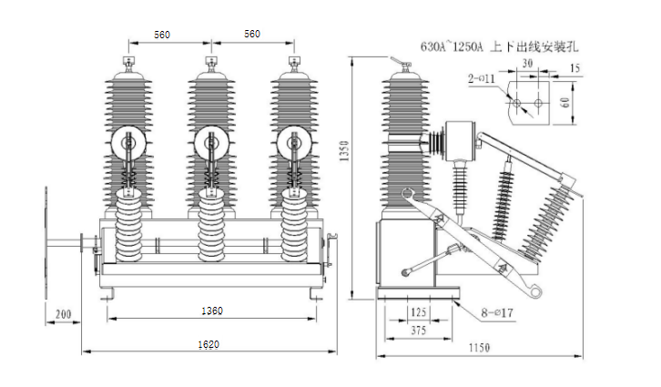
四、断路器外形及安装示意图


zw32-40.5户外柱上高压真空断路器35kv